Копирование на Xerox WorkCentre 5222
Процесс копирования
Выполните следующие действия.
1. Загрузите оригиналы
2. Выберите режимы
3. Введите число копий
4. Начинайте копирование
5. Проверьте статус работы копирования
6. Остановка работы копирования
Если используется режим учета пользования и идентификации, возможно потребуется ввести ID пользователя и пароль (если задан), чтобы использовать аппарат. Вы всегда сможете заказать бумагу и другие материалы для печати на принтере.
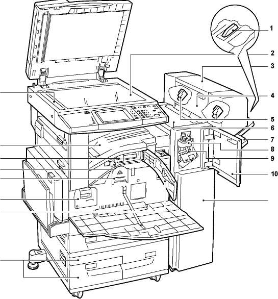
Загрузите оригиналы
Аппарат предоставляет следующие области ввода оригиналов:
• Податчик оригиналов - для одно- или многостраничных документов
• Стекло экспонирования - для одностраничных или переплетенных документов
В конфигурации без автоподатчика установлена крышка стекла экспонирования.
Стандартные форматы оригинала машина распознает автоматически. Форматы, распознаваемые автоматически, указывает администратор системы в таблице форматов бумаги. Если документ имеет нестандартный формат или не идентифицируется как документ стандартного формата, аппарат предложит проверить документ или вручную ввести размер документа.
Податчик оригиналов
Ниже описано, как загружать документы для подачи из автоподатчика. Максимальная емкость податчика приведена ниже:
|
Тип оригинала (плотность)
|
Емкость
|
|
Легкая бумага (38-49 г/м)
|
75 листов
|
|
Обычная бумага (50-80 г/м)
|
75 листов
|
|
Плотная бумага (81-128 г/м)
|
50 листов
|
Допускается использование документов любых размеров от 139.7 до 297 мм (от 4.9 до 11.7 дюймов) в ширину и от 210 до 432 мм (от 4.5 до 17 дюймов) в длину, а также бумаги стандартных размеров от 5.5 х 8.5" SEF/LEF до 7.25 х 10.5" SEF/LEF. Убедитесь, что оригиналы в хорошем состоянии, и перед заправкой удалите все скрепки и зажимы.
Фальцованные оригиналы или оригиналы с рубчиками следует копировать со стекла экспонирования. Это снизит вероятность застревания.
Если в податчик загружены оригиналы пользовательского формата, а функция определения формата установлена на [Автоопределение], возможно застревание бумаги. В этом случае рекомендуется ввести формат бумаги вручную.
При использовании автоподатчика машина может последовательно сканировать оригиналы разного формата. Расположите оригиналы по верхнему углу автоподатчика.
1. Перед загрузкой оригиналов в автоподатчик удалите все скрепки и зажимы.
2. Аккуратно положите оригиналы в автоподатчик лицевой стороной вверх, выровняв левый край с лотком автоподатчика. Первая страница должна быть сверху, заголовками к задней или левой стороне машины.
3. Поместите направляющие так, чтобы они едва касались границ документа.
Если в окне [Автовыбор бумаги] выбрать [Авто], машина автоматически выберет лоток, соответствующий формату оригинала. На экране будет показана информация о выбранном лотке, формате и ориентации бумаги.
Эта функция работает, если машина определяет требуемый лоток с бумагой. Если такого лотка нет, выберите лоток вручную или воспользуйтесь лотком 5 (обходной).
Стекло экспонирования
Стекло экспонирования используют для копирования отдельных страниц или переплетенных оригиналов шириной до 297 мм и длиной до 432 мм.
Прежде чем помещать оригинал на стекло экспонирования убедитесь, что сенсорный экран готов. Если поместить оригинал до готовности сенсорного экрана, возможно неправильное определение формата бумаги.
1. Поднимите податчик или крышку стекла экспонирования.
2. Положите оригинал на стекло лицевой стороной вниз, выравнивая его с концом стрелки регистрации в верхней левой части стекла.
3. Опустите податчик или крышку стекла экспонирования.
1. Выберите режимы
Режимы, отображающиеся на экранах копирования, могут быть различными для разных конфигураций аппарата.
Нажмите кнопку
<Все режимы> на панели управления.
Кнопка <Все режимы>
Кнопка <Сбросить все>
2. Выберите [Копия] на экране "Все Режимы".
Если используется режим учета пользования и идентификации, возможно потребуется ввести ID пользователя и пароль (если заданы). Если вам требуется помощь, свяжитесь с системным администратором.
3. На каждой вкладке укажите необходимые параметры функций. Если выбрано [Далее], нажмите кнопку [Сохранить] для подтверждения выбора или [Отменить] для возврата к предыдущему.
Введите число копий
Максимальное число копий составляет 999.
Для ввода необходимого числа копий используйте цифровую клавиатуру. Число копий отображается в верхнем правом углу сенсорного экрана.
Чтобы отменить неправильную запись, нажмите кнопку и введите правильное значение.
 Кнопка
Начинайте копирование
Нажмите кнопку <Старт>. Будет отсканирован каждый оригинал. Число еще не выполненных копий отображается в верхнем правом углу сенсорного экрана.
 Кнопка <Старт>
Во время копирования можно сканировать следующий оригинал или программировать следующее задание, если готов податчик или стекло экспонирования. Также можно программировать следующую работу во время прогрева машины.
5. Проверьте статус работы копирования
1. Нажмите кнопку
<Статус работы> на панели управления, чтобы открыть экран [Активные работы].
Будет отображена очередь заданий копирования. Если работа не отображается, возможно она уже выполнена.
Для получения дополнительной информации обратитесь к главе "Статус работы" руководства системного администратора.
6. Остановка работы копирования
Чтобы вручную остановить копирование, выполните следующие действия
1. Чтобы приостановить выполняемую работу копирования, нажмите кнопку <Стоп> на панели управления.
2. Если нужно, нажмите кнопку <Статус работы>. Откроется экран [Активные работы]. Чтобы выйти из окна [Активные работы], нажмите кнопку <Режимы>.
3. На отобразившемся экране "Стоп/Пауза" выберите пункт [Отмена], чтобы удалить приостановленную работу копирования.
Чтобы возобновить работу, выберите опцию [Возобновить] на экране "Стоп/Пауза".
Копирование
1. Нажмите кнопку <Все режимы> на панели управления.
2. Выберите [Копирование] на сенсорном экране.
3. Выберите нужную опцию.
4. Нажмите [Сохранить].
Эта опция позволяет уменьшать и увеличивать копии в заданном масштабе в пределах 25 - 400%.
1. Выберите опцию [Уменьшение/Увеличение] на экране [Копирование].
Далее Откроется экран [Уменьшение/Увеличение].
Экран [Уменьшение/Увеличение]
Предоставляет дополнительные возможности уменьшения или увеличения копии.
Опции, отображаемые на экране, могут различаться в зависимости от выбранной серии размеров бумаги.
Пропорционально %
• Текстовое поле — позволяет ввести желаемую пропорцию уменьшения/увеличения, используя кнопки прокрутки. Вы можете ввести значение, нажав на текстовое поле и вводя цифры с клавиатуры на панели управления. Можно задать значение в диапазоне от 25 до 400 % с шагом изменения 1%.
• 100% - Скопированный документ будет иметь формат оригинала.
• Авто % - Автоматическое уменьшение или увеличение изображения под выбранный формат бумаги.
• Предустановленные - Выбор из семи значений увеличения/уменьшения. Предустановки задает системный администратор.
Независимое X-Y %
Позволяет задавать масштаб уменьшения/увеличения независимо для длины и ширины в диапазоне 25-400% с шагом 1%.
• Ширина - X%, Длина - Y% - Позволяет задать масштаб увеличения/ уменьшения для длины и ширины, используя кнопки прокрутки. Вы можете ввести значения, нажимая на текстовые поля и вводя цифры с клавиатуры на панели управления. Можно задать значение в диапазоне от 25 до 400 % с шагом изменения 1%.
• Блокир. X-Y% - Задает один и тот же масштаб для длины и ширины.
• Ширина: 100%, Длина: 100% - Задает масштаб увеличения/уменьшения для длины и ширины в 100%.
• Авто - Автоматическое определение масштаба уменьшения/увеличения независимо для длины и ширины так, чтобы изображение уместилось на бумаге.
• Копировать все X-Y% - Включается режим [Авто], который уменьшает изображение до несколько меньшего размера, чем выбранный масштаб. Это нужно, чтобы изображение оригинала полностью уместилось на бумаге.
• Ширина: 50%, Длина: 100% - Задает масштаб увеличения/уменьшения для ширины 50%, а для длины - 100%.
Опции, перечисленные выше, отображаются, если серия формата бумаги задана как [Серия A/B]. Если выбрано значение [Дюймовые форматы] или иной, отображаемые опции будут отличаться.
При выборе [Авто %], автоматически будет выбран лоток 1, даже если в окне [Снабжение бумагой] выбрана опция [Автовыбор бумаги].
Снабжение бумагой
Сведения о доступных лотках, формате и ориентации материала, заданных для каждого лотка, представлены на сенсорном экране.
При изменении формата или типа материала в лотке, системный администратор должен перепрограммировать лоток и привести его в соответствие
1. Нажмите кнопку предустановки или [Далее] для функции [Снабжение бумагой] на экране [Копирование].
 Далее Открывается экран [Снабжение бумагой].
Экран [Снабжение бумагой]
Позволяет выбирать лоток для бумаги из предварительно заданных лотков, включая лоток 5 (обходной).
Предустановки
Можно выбрать лоток для бумаги из трех предварительно заданных системным администратором настроек. Номер лотка, формат бумаги и ее ориентация отображаются для всех лотков.
Отобразит экран [Лоток 5], если размер и тип бумаги не заданы предварительно системным администратором.
Автовыбор бумаги
Позволяет автоматически выбирать лоток в соответствии с форматом оригинала, масштабом уменьшения или увеличения, и связанными с ними настройками.
Если в качестве опции [Снабжение бумагой] выбрана [Автовыбор бумаги], значение [Увеличение/Уменьшение] будет автоматически задано как [100%], без возможности выбора [Авто %].
Экран [Лоток 5]
Можно временно использовать лоток 5 (обходной), чтобы загрузить бумагу, недоступную в лотках 1-4. В лоток 5 (обходной) можно загрузить стопку толщиной до 10 мм (примерно 95 листов бумаги плотностью 80 г/м2).
Формат бумаги
• Автоопр. форм. -Автоматически определяет формат бумаги.
• Стандартный формат - На сенсорном экране отображаются предварительно заданные форматы, из которых можно выбирать нужный формат. Предустановки задает системный администратор.
• Пользовательский формат - Позволяет задавать длину и ширину бумаги с помощью кнопок прокрутки с шагом 1 мм. Допустимые размеры заключены в диапазоне 89-297 мм для ширины и 99—432 мм для длины.
Тип бумаги
На сенсорном экране отображаются предварительно заданные типы, из которых можно выбирать нужный тип. Предустановки задает системный администратор. Эти настройки временные, и применяются только к текущему заданию копирования.
2-стороннее копирование
Эта опция позволяет автоматически изготовлять одно- или двусторонние копии односторонних или двусторонних оригиналов.
Прежде чем пользоваться этой опцией, задайте ориентацию оригинала с помощью функции [Ориентация оригинала] на экране [Настройка макета], чтобы указать положение верхней кромки оригинала.
Опцию двусторонней печати нельзя применять для следующих типов материала: прозрачной пленки, бумаги малой плотности, бумаги высокой плотности, наклеек, высокосортная бумага, а также для бумаги, уже имеющей изображение на одной стороне (макулатурная бумага).
Нажмите кнопку предустановки или [Далее] для функции [2-стороннее копирование] на экране [Копирование].
Откроется экран [2-стороннее копирование].
Экран [2-стороннее копирование]
Здесь можно выбирать опции 2-стороннего копирования, направление подачи и ориентацию оригинала.
Если опции [1 -> 2-сторонние] или [2 -» 2-сторонние] выбраны при копировании со стекла экспонирования, машина выводит сообщение, когда будет готова сканировать следующий оригинал.
1 -» 1-сторонние
Получение односторонних копий с односторонних оригиналов.
1 -» 2-сторонние
Получение двусторонних копий с односторонних оригиналов.
2 -» 2-сторонние
Получение двусторонних копий с двусторонних оригиналов.
2 -» 1-сторонние
Получение односторонних копий с двусторонних оригиналов.
Вращать сторону 2
Поворачивает изображение на стороне 2 на 180 градусов.
Этот флажок доступен для всех опций, кроме [1 -> 1-сторонние].
Вывод копий
Эта функция позволяет сортировать копии на выходе. Если установлен финишер (дополнительно), доступен также режим сшивания, перфорирования или фальцовки. Положение сшивания или перфорирования можно указать при настройке вывода копий.
Отображаемые на экране опции зависит от того, установлен ли на аппарате финишер, является ли установленный финишер офисным финишером LX или интегрированным офисным финишером, а также возможностями финишера.
Если при выполнении работы со сшиванием или перфорированием в машину загружена бумага неверного формата, может появиться сообщение об ошибке формата бумаги. В этом случае в финишере будет находиться бумага неверного формата, уже выведенная до этого момента. Если аппарат отображает сообщение о неверном формате бумаги, загруженной в лоток, откройте верхнюю крышку финишера и удалите бумагу неверного формата, загрузите бумагу верного формата и перезапустите работу. Если просто заменить бумагу в лотке и продолжать работу, не убрав обработанную бумагу из финишера, машина будет сшивать или перфорировать бумагу неверного и правильного форматов вместе.
Нажмите кнопку предустановки или [Далее] для функции [Вывод копий] на экране [Копирование].
Экран справа отобразится, если установлен офисный финишер LX. Если установлен интегрированный офисный финишер, или финишер не установлен, изображение на экране будет иным.
Опция С подборкой
Выход указанного количества комплектов копий, страницы которых расположены в том же порядке, что и в оригинале. Другие опции подборки доступны на экране [Вывод копий].
скрепка
Добавить одну скрепку к верхнему левому углу материала на выходе. Другие опции сшивания доступны на вкладке [Вывод копий].
Фальцовка
Отобразит экран [Фальцовка], на котором вы можете выбрать опцию фальцовки на выходе.
При копировании документов с данной опцией, подождите до завершения работы копирования прежде, чем вынимать копии из выходного лотка.
• Без фальцовки - отключает функцию Фальцовка.
• Одно сложение - Делает рубчик на каждом листе выхода для облегчения фальцовки.
 Создание брошюры
Открывается экран [Создание брошюры]. Данная опция идентична опции [Создание брошюры] на вкладке [Формат отпечатков].
Перфорация и др.
Открывается экран [Вывод копий].
Опция [Перфорация и др.] отображается, если установлен офисный финишер LX. Если установлен интегрированный офисный финишер, или финишер не установлен, на экране отобразится [Далее...].
Экран [Вывод копий]
Позволяет выбрать положение сшивания или перфорирования способ сортировки отпечатков на выходе и указать выходной лоток.
Экран справа отобразится, если установлен офисный финишер LX. Если установлен интегрированный офисный финишер, или финишер не установлен, изображение на экране будет иным.
Снабжение бумагой
Открывается экран [Снабжение бумагой]. Выберите лоток бумаги для копирования.
Сшивание
Позволяет указать позицию сшивания.
• Нет скрепок - Режим выключен.
• 1 скрепка - Добавить одну скрепку к верхнему левому углу материала на выходе.
• 2 скрепки (слева) - Вдоль левой кромки комплекта будут помещены две скрепки.
• 2 скр. вверху - Вдоль левой кромки комплекта будут помещены две скрепки.
Если установлен интегрированный офисный финишер, или финишер не установлен, опции [2 скрепки (слева)] и [2 скр. вверху] будут недоступны.
Перфорация
Позволяет указать позицию перфорации.
Если установлен интегрированный офисный финишер, или финишер не установлен, опция [Перфорация] будет недоступна.
• Без перфор. - Режим выключен.
• Перфор. в 2 отв. - На левой кромке комплекта будут сделаны два отверстия.
• Перфор. в 3 отв. - На левой кромке комплекта будут сделаны три отверстия.
• Верх - Если выбраны опции [Перфор. в 2 отв.] или [Перфор. в 3 отв] и отмечен данный флажок, на верхней кромке комплекта будут сделаны два или три отверстия.
Указанные выше опции перфорирования доступны, если установлен модуль перфорации 2 и 3. Если установлен модуль перфорации 2 и 4, доступны опции [Без перфор.], [Перфор. в 2 отв.], [Перфор. в 4 отв.] и [Верх]. Если установлен модуль перфорации в 4 отв., доступны опции [Без перфор.], [Перфор. в 4 отв.] и [Верх].
С подборкой
• С подборкой - Выход указанного количества комплектов копий, страницы которых расположены в том же порядке, что и в оригинале. Например, две копии документа из трех страниц будут выведены в порядке 1-2-3, 1-2-3.
• Без подборки - Выход копий стопками по количеству экземпляров для каждого оригинала. Например, две копии документа из трех страниц будут выведены в порядке 1-1, 2-2, 3-3. При выборе [Без подборки] режим сшивания скрепками недоступен.
• С разделителями - Вывод копий стопками в зависимости от количества копий для каждого документа, с разделителями между стопками. Нажмите кнопку [Снабжение бумагой] и укажите лоток, в котором находится бумага для разделителей. Если выбрана опция [С разделителями], сшивание недоступно.
Качество изображения
1. Нажмите кнопку <Все режимы> на панели управления.
2. Выберите [Копирование] на сенсорном экране.
3. Выберите вкладку [Качество изображения].
4. Выберите нужную опцию.
5. Нажмите [Сохранить].
Тип оригинала
Выбор типа оригинала позволяет получать копии оптимального качества.
1. Выберите [Тип оригинала] на экране [Качество изображения].
2. Выберите нужную опцию.
3. Нажмите [Сохранить].
Текст
Эту опцию выбирают для копирования оригиналов, содержащих только текст, который к тому же должен быть воспроизведен четко.
Фото и Текст
Эту опцию следует использовать для копирования документов, содержащих текст и фотографии. Текст и фотографии распознаются автоматически и для этих областей подбираются соответствующие режимы качества изображения.
Фото
Эту опцию следует использовать для копирования документов, содержащих только фотографии.
Светлый текст
Выберите данную опцию, чтобы выполнить копирование документов с нечетким текстом, например написанным карандашом.
Текст на прозрачной бумаге
Данная опция используется для копирования документов на прозрачной бумаге.
Опция [Текст на прозрачной бумаге] доступна только, если включена настройка [Системные настройки] > [Настройки реж. копирования] > [Управление копированием] > [Тип оригинала - прозрачная бумага].
Опции изображения
Эта функция позволяет регулировать яркость и резкость при копировании оригиналов.
1. Выберите [Опции изображения] на экране [Качество изображения].
2. Выберите нужные уровни.
3. Нажмите [Сохранить].
Светлее/Темнее
Эта функция позволяет регулировать плотность изображения копии по семи уровням между [Светлее] и [Темнее]. Плотность копии увеличивается, чем ближе уровень к значению [Темнее], и снижается, чем ближе уровень к значению [Светлее].
Резкость
Эта функция позволяет регулировать резкость изображения копии по пяти уровням между [Резче] и [Мягче]. Резкость контуров повышается, чем ближе уровень к значению [Резче], и снижается, чем ближе уровень к значению [Мягче].
Подавление фона
Данная опция подавляет цвета фона и проступание изображения при копировании.
При выборе [Фото] на экране [Тип оригинала], этот режим будет отключен.
1. Выберите [Подавление фона] на экране [Качество изображения].
2. Выберите нужную опцию.
3. Нажмите [Сохранить].
Без подавления
Режим выключен.
Автоподавление
Автоматически подавляет цвета фона.
Настройка макета
1. Нажмите кнопку <Все режимы> на панели управления.
2. Выберите [Копирование] на сенсорном экране.
3. Выберите вкладку [Настройка макета]. Для переключения экранов используйте боковые вкладки.
4. Выберите нужную опцию.
Копирование книги
Эта опция используется для копирования страниц разворота книги или переплетенных оригиналов с правильной последовательностью страниц со стекла экспонирования. Две страницы разворота при этом копируются на две отдельные страницы.
1. Выберите опцию [Копирование книги] на экране [Настройка макета].
2. Выберите нужную опцию.
3. Нажмите [Сохранить].
Страницы разворота переплетенного оригинала следует размещать на стекле экспонирования в горизонтальной ориентации.
Выключить
Режим выключен.
Левая страница, затем правая
Копирование обеих страниц разворота книги слева направо.
• Обе страницы - Копирование левых и правых страниц.
• Только левые - Копирование только левых страниц.
• Только правые - Копирование только правых страниц.
Стирание кромки переплета
Стирание изображения в средней части, где книга сшита. Эта область может быть затенена из-за сгиба листов книги. Для указания области, где следует выполнить стирание (от центра разворота), используйте кнопки прокрутки. Диапазон значений составляет 0-50 мм и регулируется с шагом 1 мм.
2-стороннее копирование книги
Эта функция позволяет выполнять двустороннее копирование в том же порядке и с тем же расположением изображения, каковым оно было на развороте оригинала. Функция доступна для копирования со стекла экспонирования. В качестве первой страницы автоматически вставляется пустой лист.
1. Выберите опцию [2-стороннее копирование книги] на экране [Настройка макета].
2. Выберите нужную опцию.
3. Нажмите [Сохранить].
Этот режим нельзя использовать одновременно с режимом [Копирование книги] или [Компоновка].
Выключено
Режим выключен.
Левая страница, затем правая
Копирование обеих страниц разворота книги слева направо.
Перв. и посл. стр.
Отображает экран [Первая и последняя страницы], где можно указать первую и последнюю страницы для копирования. Стороны страницы следует указывать, используя переплетенные оригиналы.
Стирание кромки переплета
Стирание изображения в средней части, где книга сшита. Эта область может быть затенена из-за сгиба листов книги. Для указания области, где следует выполнить стирание (от центра разворота), используйте кнопки прокрутки. Диапазон значений составляет 0-50 мм и регулируется с шагом 1 мм.
Формат оригинала
Эта функция позволяет автоматически задавать формат оригинала, выбирать его из списка предустановок или копировать оригиналы смешанного формата. Если используется предустановка, оригиналы будут копироваться как указанный формат, независимо от их фактического размера.
1. Выберите [Формат оригинала] на экране [Настройка макета].
2. Выберите нужную опцию.
3. Нажмите [Сохранить].
Настройка макета
Автоопределение
Автоматическое определение размера документов стандартных форматов.
Ручной ввод формата
Эта функция позволяет выбирать формат оригинала из 11 предварительно заданных установок для стандартных форматов вертикальной или горизонтальной ориентаций, или же пользовательский формат в пределах 15 - 297 мм по длине и 15 - 432 мм по ширине. Предустановки задает системный администратор.
Оригиналы смешанного формата
Эта функция позволяет копировать оригиналы разных форматов одновременно. Машина автоматически определяет формат оригиналов и отправляет каждую страницу с сохранением первоначального формата. В податчик оригиналы разного формата следует загружать, выравнивая верхние левые углы.
Оригиналы формата 5.5 * 8.5" и A5 следует загружать с вертикальной ориентацией.
Убедитесь, что ориентация оригиналов совпадает с настройками [Ориентация оригиналов], заданными на экране [Настройка макета].
Эта опция позволяет стирать с копии нежелательные отметки, например, отверстия на углах или в середине.
Убедитесь, что ориентация оригиналов совпадает с настройками [Ориентация оригиналов], заданными на экране [Настройка макета].
1. Выберите опцию [Стирание краев] на экране [Настройка макета].
2. Выберите нужную опцию.
3. Нажмите [Сохранить].
Все кромки
Стирает одинаковое количество пространства с четырех краев документа. Если вы не хотите стирать с какого-либо края, выберите [Параллельные кромки], а затем 0.0 с помощью кнопок прокрутки.
Параллельные кромки
Позволяет указать величину стирания краев для верхних и нижних, а также для левых и правых краев. Допускается вводить значения до 50 мм.
Сдвиг изображения
 Эта опция позволяет регулировать положение изображения на странице копии.
Убедитесь, что ориентация оригиналов совпадает с настройками [Ориентация оригиналов], заданными на экране [Настройка макета].
Значение сдвига полей зависит от формата загруженной бумаги.
Если выбрана опция [Оригиналы смешанного формата], значение сдвига определяется положением изображения на первой странице, которое и будет применено ко всем остальным страницам оригинала.
1. Выберите опцию [Сдвиг изображения] на экране [Настройка макета].
2. Выберите нужную опцию.
3. Нажмите [Сохранить].
Без сдвига
Режим выключен.
Автоцентр
Изображение автоматически располагается в центре листа.
Сдвиг полей
Изображение перемещается на определенное расстояние вверх-вниз и вправо-влево на копии. Можно сдвигать в обоих направлениях на расстояние до 50 мм.
Если конфигурация машины позволяет изготавливать двусторонние копии, для разных сторон страницы можно выбрать параметры, как указано ниже.
• Стор.1 - Позволяет переместить изображение на стороне 1. Вы можете указать величину сдвига до 50 мм для обоих направлений, используя кнопки прокрутки.
• Стор.2 - Позволяет переместить изображение на стороне 2. Вы можете указать величину сдвига до 50 мм для обоих направлений, используя кнопки прокрутки.
• Стор. 1 зеркал. - Автоматически сдвигает изображение на стороне 2 так, чтобы оно отражало изображение на стороне 1.
Настройка макета
Поворот изображения
Эта опция позволяет автоматически поворачивать изображение в соответствии с ориентацией бумаги в лотке.
1. Выберите опцию [Поворот изображения] на экране [Настройка макета].
2. Выберите нужную опцию.
3. Нажмите [Сохранить].
Выключено
Режим выключен.
Всегда включено
Автоматический поворот изображения для его размещения на бумаге, выбранной для копирования.
Включено в режиме Авто
Автоматический поворот изображения для его размещения на бумаге, выбранной для копирования. Эта опция доступна только если для функции [Снабжение бумагой] выбрана настройка [Автовыбор бумаги], или для функции [Уменьшение/Увеличение] выбрана настройка [Авто %].
Инверсия изображения
Эта функция позволяет получать зеркальное и негативное изображения на копии.
1. Выберите опцию [Инверсия изображения] на экране [Настройка макета].
2. Выберите нужную опцию.
3. Нажмите [Сохранить].
Зеркальное изображение
Эта функция позволяет получать зеркальное изображение оригинала.
• Нормальное изображение - Эту опцию используют для получения нормального изображения.
• Зеркальное изображение - Создание зеркального изображения на копии.
Негативное изображение
Эта функция позволяет получать негативное изображение оригинала.
• Позитивное изображение - Эту опцию используют для получения нормального позитивного изображения.
• Негативное изображение - Создание негативного изображения на копии. Все черные изображения на странице будут отображаться как белые, и наоборот.
Ориентация оригинала
Эта опция позволяет указывать ориентацию оригинала. Настройку ориентации оригинала следует применять до применения функций сдвига изображения, стирания краев, мультиизображений, повтора изображений, комментария и создания брошюр.
1. Выберите [Ориентация оригинала] на экране [Настройка макета].
2. Выберите нужную опцию.
3. Нажмите [Сохранить].
Вертикальные изображения
Эту опцию следует выбирать, если верх оригинала обращен к задней стороне машины.
Гориз. изображения
Эту опцию следует выбирать, если верх оригинала обращен к левой стороне машины.
Формат готовой работы
1. Нажмите кнопку <Все режимы> на панели управления.
2. Выберите [Копирование] на сенсорном экране.
3. Выберите вкладку [Формат готовой работы]. Для переключения экранов используйте боковые вкладки.
4. Выберите нужную опцию.
5. Нажмите [Сохранить].
Формат готовой работы
Создание брошюры
Эта функция позволяет производить многостраничные брошюры из комплектов одно- и двусторонних оригиналов. При этом происходит уменьшение и правильное размещение каждого изображения так, чтобы после фальцовки страницы были бы расположены как в брошюре.
Если число страниц оригинала кратно четырем, брошюра не будет содержать пустых страниц. В других случаях лишние страницы брошюры будут пустыми.
Данный режим доступен только, если для [Вывод копий] осуществляется в режиме [С подборкой].
Подождите, пока завершится копирования, перед тем как вынимать копии из лотка.
1. Выберите [Создание брошюры] на экране [Формат готовой работы].
2. Выберите нужную опцию.
3. Нажмите [Сохранить].
Выключено
Режим выключен.
Создать брошюру с переплетом слева/сверху
Используется для создания брошюры из оригинала. Изображения автоматически располагаются в такой последовательности, что при сгибе копии будут переплетены по верхней и левой кромке выхода.
Копирование брошюры
Позволяет копировать листы брошюры с сохранением порядка изображений. Использование опции [Фальцовка и сшивание] позволяет объединить копии, чтобы создать тип брошюры, аналогичный оригинальному.
Сдвиг сшивания
Открывается экран [Создание брошюры - Сдвиг сшивания].
Обложки
Открывается экран [Создание брошюры - Обложки].
Разделить вывод
Открывается экран [Создание брошюры - Разделить вывод].
Фальцовка и сшивание
Открывается экран [Создание брошюры - Фальцовка и сшивание].
Выходное устройство
Открывается экран [Выходное устройство]. Выберите выходной лоток для вывода работы копирования.
Последняя страница на задней обложке
Изображение последней страницы оригинала будет использовано в качестве изображения задней обложки. Если для разделения брошюр использовать опцию [Разделить вывод], обложкой будет последняя страница последнего подкомплекта.
Экран [Создание брошюры - Сдвиг сшивания]
Эта опция позволяет указать размер внутренних полей брошюры в пределах 0-50 мм с шагом 1 мм с помощью кнопок прокрутки экрана или цифровой клавиатуры на панели управления.
Экран [Создание брошюры -Обложки]
Эта функция позволяет добавить обложку к брошюре. Если готовая копия для создания брошюры будет фальцована пополам, обложка будет на передней и задней стороне.
Выключено
Изготовление брошюры без обложки.
 Включено
Добавление к брошюре обложки из лотка с соответствующим материалом. Если выбрать эту опцию, становится доступной и опция [Обложки].
Обложки
• Чистые обложки - Автоматическое добавление к брошюре пустой обложки.
• Передняя обложка - 2-сторонние - Копирование первой и последней страниц оригинала на бумаге для обложек. Также это добавление чистых листов к комплекту, если требуется оставить внутренние стороны передней и задней обложек чистыми.
Снабжение бумагой
Открывается экран [Создание брошюры - Обложки - Снабжение бумагой]. Выберите одну из предустановок, задающих [Лоток для обложек] и [Лоток для основного документа]. Бумага, загруженная в лотки, выбранные для [Лоток для основного документа] и [Лоток для обложек], должна быть одного формата и ориентации.
Наименование кнопок может изменяться в зависимости от установленных на аппарате лотков.
Формат готовой работы
Экран [Создание брошюры - Разделить вывод]
Позволяет подразделять большую брошюру на более мелкие.
Выключено
Режим выключен.
 Включено
Подразделение комплекта на подкомплекты. Введите количество листов в каждом подкомплекте с использованием кнопок прокрутки. Вы можете ввести значение, нажав на текстовое поле и вводя цифры с клавиатуры на панели управления.
Экран [Создание брошюры - Фальцовка и сшивание].
Используется для фальцовки и сшивания буклета.
Без фальцовки и сшивания
Отключает опции фальцовки и сшивания.
 Только фальцовка
Создает рубчик на каждом листе копии или печати для облегчения дальнейшей фальцовки.
Фальцовка и сшивание
Создает рубчик на каждом листе копии или печати для облегчения дальнейшей фальцовки, и сшивает листы.
Обложки
Эта опция позволяет добавлять к работе передние и/или задние обложки.
Если при работе в этом режиме при сканировании оригинала память машины переполняется, отмените работу, следуя указаниям на экране. Удалите сохраненные оригиналы или уменьшите количество страниц, освобождая таким образом память, и повторите попытку копирования.
Эта функция недоступна, если на экране [Вывод копий] выбрана настройка [Без подборки] или [С разделителями].
1. Выберите [Обложки] на экране [Формат готовой работы].
2. Выберите нужную опцию.
3. Нажмите [Сохранить].
Без обложек
Режим выключен.
Только передняя обложка
Вставка передней обложки перед первой страницей документа. Можно использовать материал, отличный от материала основного документа.
Передняя задняя обложки
Вставка обложек перед первой и после последней страницы документа. Можно использовать материал, отличный от материала основного документа.
Обложки
• Обложки без печати - Автоматическое добавление к документам пустой обложки.
• Обложки с печатью - Копирование первой и последней страниц оригинала на бумаге для обложек. Также это добавление чистых листов к комплекту, если требуется оставить внутренние стороны передней и задней обложек чистыми.
Снабжение бумагой
Открывается экран [Обложки - Снабжение бумагой]. Выберите одну из предустановок, задающих [Лоток для обложек] и [Лоток для основного документа]. Бумага, загруженная в лотки, выбранные для обложек и основного документа, должна быть одного формата и ориентации.
Наименование кнопок может изменяться в зависимости от установленных на аппарате лотков.
Опции прозр. пленок
Эта функция позволяет помещать чистые страницы-разделители между документами при печати на прозрачной пленке и производить комплекты твердых копий для раздачи. Эти комплекты могут быть односторонними или двусторонними и сшитыми.
1. Выберите [Опции прозр. пленок] на экране [Формат готовой работы].
2. Выберите нужную опцию.
3. Нажмите [Сохранить].
Без разделителей прозрачных пленок
Режим выключен.
Разделители прозрачных пленок без печати
Помещение чистой страницы-разделителя между всеми листами прозрачной пленки. Выполняется только один комплект копий.
Данная опция недоступна, если для опции [2-стор. копирование] выбрано значение [1 -> 2 сторонние] или [2 -> 2 сторонние].
Разделители без печати и раздаточные листы
Копирование комплекта на прозрачной пленке с разделителями без печати и изготовление нужного количества комплектов раздаточного материала.
Набор прозрачных пленок и раздаточных листов
Копирование комплекта на прозрачной пленке без разделителей и изготовление нужного количества комплектов раздаточного материала на бумаге.
Формат готовой работы
 Снабжение бумагой
Открывается экран [Опции прозр.пленок - Снабжение бумагой]. Выберите одну из предустановок лотка для прозрачной пленки [Лоток для прозрачных пленок] и [Лоток для раздаточных листов]/[Лот. для раздел. и разд. листов].
Наименование кнопок может изменяться в зависимости от установленных на аппарате лотков.
Макет листа
Данный режим позволяет делать копию двух, четырех или восьми изображений на одном листе, или скопировать одно изображение многократно на одном листе бумаги. Машина автоматически уменьшает или увеличивает изображения, размещая их на одной странице.
1. Выберите [Макет листа] на экране [Формат готовой работы].
2. Выберите нужную опцию.
3. Нажмите [Сохранить].
Выключено
Режим выключен.
Мультиизображения
• 2 Вместе - Копирует две страницы оригинала на один лист бумаги.
• 4 Вместе - Копирует четыре страницы оригинала на один лист бумаги.
• 8 Вместе - Копирует восемь страниц оригинала на один лист бумаги.
• Порядок чтения - Задание расположения изображений на странице. Для настройки [4 вместе] или [8 вместе] можно выбрать горизонтальные ряды слева направо или вертикальные колонки слева направо.
Повтор изображения
• 2 Вместе - Копирует изображение дважды с вертикальной или горизонтальной ориентацией на один лист бумаги.
• 4 Вместе - Копирует изображение четырежды с вертикальной или горизонтальной ориентацией на один лист бумаги.
• 8 Вместе - Копирует изображение восемь раз с вертикальной или горизонтальной ориентацией на один лист бумаги.
• Автоповтор - Количество повторенных изображений в вертикальном или горизонтальном направлениях определяется исходя из формата оригинала, формата бумаги и масштаба уменьшения/увеличения.
Данный режим недоступен, если [Уменьшение/увеличение] осуществляется в режиме [Авто %].
• Настраив. повтор - Позволяет определить количество повторений изображения по вертикали или по горизонтали, используя кнопки прокрутки на экране или цифровую клавиатуру на панели управления. Можно повторять изображение от 1 до 23 раз в вертикальном направлении и от 1 до 33 раз в горизонтальном направлении.
Постер
 Эта опция позволяет разделить и увеличить исходное изображение, чтобы скопировать каждую часть изображения на отдельный лист бумаги. Затем листы можно склеить и получить крупное изображение.
Данная опция доступна только, если для [1 -> 1 сторонние] выбрана для режима [2-стор. копирование].
Этот режим недоступен при выборе опций [С подборкой].
1. Выберите [Постер] на экране [Формат готовой работы].
2. Выберите нужную опцию.
3. Нажмите [Сохранить].
Машина автоматически наложит изображения по краям листов, чтобы их можно было отрезать и склеить. Размер наложения составляет 10 мм.
Без постеров
Режим выключен.
Выходной размер
Эта опция позволяет выбирать размер плаката из предварительных установок, отображаемых на сенсорном экране. Машина автоматически определяет увеличение и количество листов, необходимых для выполнения работы.
Увеличение %
Используйте кнопки прокрутки на экране или цифровую клавиатуру на панели управления, чтобы выбрать степень масштабирования для длины и ширины постера. Диапазон можно установить 100 - 400% с шагом в 1%. Машина автоматически определяет необходимое количество листов.
Снабжение бумагой
Открывается экран [Постер - Снабжение бумагой]. Чтобы указать лоток, выберите одну из предустановок на экране.
Комментарии
Эта опция позволяет добавлять к готовому материалу дату, количество страниц и какое-либо подготовленное сообщение.
1. Выберите [Комментарии] на экране [Формат готовой работы].
2. Выберите нужную опцию.
3. Нажмите [Сохранить].
Комментарий
Открывается экран [Комментарий].
Формат готовой работы
Штамп даты
Открывается экран [Штамп даты].
Номера страниц
Открывается экран [Номера страниц].
Формат и стиль
Откроется экран [Формат и стиль].
Экран [Комментарий]
Позволяет ввести заранее заготовленную фразу, например, "Конфиденциально" или "Черновик", которая будет отпечатана на копиях.
Выключено
Режим выключен.
 Комментарий
Режим включен.
Выбр. комментарий
Выберите фразу, заранее заданную для размещения на копиях. Чтобы изменить фразу, нажмите кнопку [Редактиров.] и внесите изменения, используя экранную клавиатуру.
Применить к
Открывается экран [Применить комментарий к...]. Выберите, печатать ли комментарий [Только на первой странице], [На всех страницах] или [На всех стр., кроме 1-й].
Положение
Открывается экран [Комментарий - Положение]. Выберите положение для печати комментария на каждой странице.
Экран [Штамп даты]
Позволяет задавать печать текущей даты на копиях.
Выключено
Режим выключен.
 Штамп даты
Режим включен.
Формат
Выберите формат даты из вариантов [чч/мм/20гг], [мм/чч/20гг] и [20гг/мм/чч].
Применить к
Открывается экран [Применить штамп даты к]. Выберите, печатать ли дату [Только на первой странице], [На всех страницах] или [На всех стр., кроме 1-й].
Положение
Открывается экран [Штамп даты - Положение]. Выберите положение для печати даты на каждой странице.
Экран [Номера страниц]
Позволяет печатать номера страниц или номера страниц с префиксом на выходных копиях.
Выключено
Режим выключен.
 Номера страниц
Позволяет задавать печать номеров страниц на копиях.
• Номер 1-й стр. - Позволяет указать номер первой страницы, используя кнопки прокрутки или цифровую панель.
• Применить к... - Отобразит экран [Применить номера страниц к]. Выберите страницы, к которым необходимо применить номера страниц. Доступны опции [На всех страницах] и [На всех страницах кроме первой].
• Положение - Открывается экран [Номера страницы - Положение]. Выберите положение для печати номера на каждой странице.
Штамп
Позволяет задавать печать номеров страниц с префиксом на копиях.
• Редактировать - Нажмите кнопку и введите префикс для номеров страниц, используя отображаемую клавишную панель. Вы также можете выбрать необходимый префикс из списка зарегистрированных префиксов.
• Применить к... - Отобразить экран [Применять штамп к. Выберите страницы, которым необходимо присвоить номер, и задайте номер первой страницы. Доступны опции [На всех страницах] и [На всех страницах кроме первой].
• Положение - Открывается экран [Номера страницы - Положение]. Выберите положение для печати номера на каждой странице.
• Число цифр - Отобразить экран [Штамп - число цифр]. На данном экране можно указать количество цифр в номерах страниц. К номеру будут слева добавлены нули, чтобы дополнить номер до необходимого числа цифр, если явно задано вручную. Вы можете указать до 9 цифр.
Экран [Формат и стиль]
Размер шрифта
Позволяет задать размер шрифта для даты, номеров страниц и комментариев с использованием кнопок прокрутки экрана или цифровой клавиатуры на панели управления, в диапазоне от 6 до 18 пунктов с шагом в 1 пункт.
Стор. 2, опции
Позволяет указать положение даты, номеров страниц и комментариев на стороне 2 как [Как на стороне 1] или [Стор. 1 зеркал].
Формат готовой работы
Водяной знак
Эта функция позволяет добавлять водяной знак под изображением оригинала на копии. Можно печатать такую информацию, как контрольный номер, заданный текст, дату и время, и серийный номер машины.
1. Нажмите [Водяной знак] на экране [Формат готовой работы].
2. Выберите нужную опцию.
3. Нажмите [Сохранить].
Контрольный номер
Открывается экран [Водяной знак - Контрольный номер]. Это последовательная распечатка контрольных номеров на каждом комплекте копий. Доступны следующие варианты:
• Выключить - Режим выключен.
• Включить - Режим включен. Укажите номер первой страницы от 1 до 999
с использованием кнопок прокрутки. Вы можете ввести значение, нажав на текстовое поле и вводя цифры с клавиатуры на панели управления.
Сохраненные водяные знаки
Открывается экран [Сохраненные водяные знаки]. Данная опция позволяет печатать предопределенную фразу на выходных копиях. Доступны следующие варианты:
• Выключить - Режим выключен.
• Включить - Режим включен. Выберите текст из фраз, заданных системным администратором.
Номер счета пользователя
Печать вашего номера счета на копиях.
Данная опция доступна только при включенной опции "Идентификация".
• Выключить - Режим выключен.
• Включить - Режим включен.
Дата и время
Открывается экран [Водяной знак - Дата и время]. Печать даты и времени на каждой выходной копии. Чтобы включить этот режим, нажмите [Включить].
Серийный номер аппарата
Открывается экран [Водяной знак - Сер. номер аппарата]. Печать на копиях серийного номера аппарата. Чтобы включить этот режим, нажмите [Включить].
Эффект водяного знака
Откроется экран [Эффект водяного знака]. Данная опция позволяет встроить текстовые строки, указанные как [Контрольный номер], [Сохран. водяные знаки], [Номер счета пользователя], [Дата и время] и [Серийный номер аппарата] на всех копиях. При создании копий встроенные текстовые строки будут напечатаны с эффектом, который задан здесь. Доступны следующие варианты:
• Выключить - Режим выключен.
• Рельефный - При создании копий встроенный текст будет рельефным.
• Контур - При создании копий встроенный текст будет очерчен белым контуром.
Копирование ID -карты
Данный режим позволяет копирование лицевой и обратной стороны ID-карты или любого иного документа, размер которого не может быть определен автоматически, на одну сторону листа.
1. Выберите [Копирование ID-карты] на экране [Формат готовой работы].
2. Выберите нужную опцию.
3. Нажмите [Сохранить].
Выключено
Режим выключен.
Включено
Режим включен. Выполните обычное копирование лицевой стороны ID-карты. Затем переверните карту, не меняя её положения, и скопируйте обратную сторону.
Чтобы захватить ID-карту полностью, убедитесь, что вы поместили карту на небольшом расстоянии от левого верхнего угла стекла экспонирования.
Блок работы
1. Нажмите кнопку <Все режимы> на панели управления.
2. Выберите [Копирование] на сенсорном экране.
3. Выберите вкладку [Блок работы].
4. Задайте нужные опции.
5. Нажмите [Сохранить].
Компоновка
Эта функция позволяет задавать различные параметры для различных частей задания. Например, если работа содержит страницы с текстом и страницы с фотографиями, можно для разных страниц назначить соответствующие установки и напечатать их как одно задание.
Данный режим доступен только, если для [Вывод копий] осуществляется в режиме [С подборкой].
Для переключения экранов используйте боковые полосы.
1. Выберите [Компоновка] на экране [Блок работы].
2. Выберите нужную опцию. Для переключения экранов используйте боковые вкладки.
3. Выберите [Сохранить].
 Выключено
Режим выключен.
Включено
Режим включен. Можно выбрать опции вывода, которые будут применены ко всему заданию.
Вывод копий
Отображается экран [Вывод копий] для опции компоновки.
Создание брошюры
Отображается экран [Создание брошюры] для опции компоновки.
Обложки
Отображается экран [Обложки] для опции компоновки.
Комментарии
Отображается экран [Комментарии] для опции компоновки.
Водяной знак
Отображается экран [Водяной знак] для опции компоновки.
Экран[Работа копирования]
Экран [Работа копирования] открывается после вывода каждого комплекта по мере выполнения задания с компоновкой.
 Стоп
Остановка выполнения текущего задания. Эта кнопка отображается во время компоновки и печати задания.
Начало главы
Отображается экран [Компоновка - Начало главы/Разделители сегментов]. Доступны следующие варианты:
• Выключить - Режим выключен.
• Начало главы -Автоматическая разбивка каждого пакета оригиналов на главы, которые начинаются с новой страницы. С помощью опции [Мультиизображения -
Новая страница] можно задать печать первой страницы каждой стопки оригиналов с новой страницы или с той же, на которой печатался предыдущий оригинал, если выбрать функцию мультиизображений.
• Разделители сегментов - Автоматическая разбивка пакетов оригиналов на главы, между которыми будет вставлена страница-разделитель. Выберите опцию [Разделители сегментов] и укажите лоток, в котором находится материал для страниц-разделителей.
Изменение настроек
Эта опция позволяет изменять настройки на экране [Копирование] перед сканированием следующего раздела. Нажмите кнопку <Старт> на панели управления и начните сканирование.
Последний оригинал
Указание того, что текущий пакет является последним в работе сканирования.
Следующий оригинал
Последовательное сканирование дополнительных разделов одной и той же работы.
Удаление
Отмена выполнения задания с компоновкой.
Старт
Начало сканирования следующего раздела.
Блок работы
Пробная работа
Эта функция позволяет распечатывать пробный комплект прежде чем печатать все задание, чтобы убедиться в правильности настроек. В этом случае можно определить целесообразность продолжения печати, основываясь на результатах пробы.
1. Выберите [Компоновка] на экране [Блок работы].
2. Выберите нужную опцию.
3. Нажмите [Сохранить].
Выключено
Режим выключен.
Включено
Режим включен. После печати одного комплекта выполнение задания приостанавливается. Чтобы продолжить работу, нажмите [Старт], а чтобы остановить - [Стоп].
Копии, полученные в режиме [Пробная работа] входят в общий счет копий.
Объединение комплектов оригиналов
Эта функция позволяет разделять большие оригиналы на более мелкие части, которые можно загружать в податчик оригиналов за один раз.
Данный режим доступен только, если для [Вывод копий] осуществляется в режиме [С подборкой].
1. Выберите [Объединить комплекты оригиналов] на экране [Блок работы].
2. Выберите нужную опцию.
3. Нажмите [Сохранить].
Выключено
Режим выключен.
Включено
Режим включен. Чтобы перейти к копированию следующей группы, выберите на экране опцию [Загрузите оригинал]. По завершении сканирования оригиналов выберите опцию [Последний оригинал].
Если для каждой группы требуется задавать свои режимы, используйте опцию компоновки.
Наложение формы
Данная опция позволяет сканировать и хранить изображение на первой странице оригинала, и наложить изображение на остальные страницы документа.
Например, если первая страница документа содержит верхний и нижний колонтитул, они могут быть распространены на последующие страницы.
1. Выберите [Наложение формы] на экране [Формат готовой работы].
2. Выберите нужную опцию.
3. Нажмите [Сохранить].
Выключено
Режим выключен.
Включено
Режим включен.
Удалить снаружи/Удалить внутри
Эта функция позволяет удалять изображение внутри или вне указанной области.
1. Выберите [Удалить снаружи/ Удалить внутри] на экране [Блок работы].
2. Выберите нужную опцию.
3. Нажмите [Сохранить].
Удаляет при копировании изображение вне указанных областей.
Удалить внутри
Удаляет при копировании изображение внутри указанных областей.
Область 1
Отобразится экран [Удалить снаружи/Удалить внутри - Область 1].
Оригиналы
Выберите область, с которой следует удалить изображение при копировании двусторонних оригиналов.
• Обе стороны - Изображение удаляется с обеих сторон.
• Только сторона 1 - Изображение удаляется только со стороны 1.
• Только сторона 2 - Изображение удаляется только со стороны 2.
Блок работы
Экран [Удалить снаружи/Удалить внутри - Область 1]
Позволяет указывать область для функции [Удалить снаружи/Удалить внутри]. Область определяется прямоугольником между точками X1,Y1 и X2,Y2.
1. Выберите [Область 1] на экране [Удалить снаружи/ Удалить внутри].
2. Нажмите текстовое поле и введите значение координат с использованием цифровой панели.
3. Повторите действие 2 для других текстовых полей.
4. Нажмите [Сохранить].
Очистить область 1
Удаляет значения, введенные в текстовые поля.
<<<назад
далее>>>
 
при использовании материалов ссылка на сайт компании awella.ru обязательна
Помогла информация на сайте ? Оставьте отзыв о работе нашей компании ! Это можно сделать в яндекс браузере и это простимулирует работников нашей компании (ответственные получат бонусы), которые собирали ее для вас! Спасибо !
 
 
|