Epson-Stylus Pro
▼
>
Использование корзины и направляющих для бумаги на принтере Epson Stylus Pro 7890
Использование корзины и направляющих для бумаги на принтере Epson Stylus Pro 7890
Использование корзины и направляющих для бумаги
Чтобы не смять и не запачкать отпечатанный материал, установите корзину для бумаги таким образом, как указано ниже. В зависимости от типа носителя направление подачи может отличаться.
|
НаправD ление
|
Epson Stylus Pro 9890/9908
|
Epson Stylus Pro 7890/7908
|
|
Forward (Вперед)
|
Длина бумаги: 1580 мм либо длиннее
Толщина бумаги: 0,5 мм или больше
|
Длина бумаги: 914,4 мм либо длиннее
Толщина бумаги: 0,5 мм или больше
|
|
Backward (Назад)
|
Длина бумаги: до 1580 мм
Толщина бумаги: Менее 0,5 мм
|
Длина бумаги: до 914,4 мм
Толщина бумаги: Менее 0,5 мм
|
Вывод отпечатков в неправильном направлении может привести к их загрязнению либо смятию.
При подаче бумаги вперед
Направляющие бумаги удерживают готовые отпечатки. В этом разделе описано, как можно изменить способ подачи бумаги с подачи назад на подачу вперед.
ОДля Epson Stylus Pro 9890/9908: установите заднюю корзину в вертикальное положение.
Снимите ленты-застежки с передней корзины для бумаги и опустите ее вниз.
Немного наклоните переднюю корзину, чтобы установить направляющие бумаги в горизонтальное положение.
Установите корзину в вертикальное положение.
Полотно корзины растянется.

Переместите направляющие бумаги, как показано на рисунке.
При подаче бумаги назад
Отпечатки можно выводить с задней стороны принтера и хранить их в корзине для бумаги. В этом разделе описано, как можно изменить способ подачи бумаги с подачи вперед на подачу назад.
В корзине не должно быть более одного листа отпечатанной бумаги. Если в корзине скапливается несколько листов, расстояние между пюпитрами для поддержки отпечатанной части листа и корзиной для бумаги становится незначительным. Это может вызвать ошибку подачи бумаги.
Установите направляющие бумаги в горизонтальное положение.

Наклоните переднюю корзину вниз.
Опустите направляющие бумаги и затем поднимите переднюю корзину.
Поднимите переднюю корзину и закрепите ее лентами-застежками.
Убедитесь, что концы ленты'застежки направлены вверх.
Если вы беспокоитесь о качестве печати на бумаге Doubleweight Matte Paper или Enhanced Matte Paper, попробуйте установить направляющие бумаги, как показано на рисунке.

Для Epson Stylus Pro 9890/9908: в зависимости от размера бумаги выберите соответствующее положение задней корзины.
Если бумага формата A1 либо меньших размеров:
Поднимите переднюю и заднюю корзины, как показано на рисунке ниже.

Если бумага формата A1 либо больших размеров:
Наклоните заднюю корзину параллельно полу во время печати.
Наклоните переднюю корзину параллельно полу при выводе отпечатков.
При печати на бумаге Enhanced Matte Paper вы можете сложить большое количество отпечатков в переднюю корзину, опустив ее параллельно полу. Качество отпечатков может быть неудовлетворительным 0 могут по явиться царапины и загрязнения.
 
 
 
 
Хранение корзины для бумаги
Если корзина для бумаги не используется, установите ее в вертикальное положение. В этом разделе описано, как можно перевести корзину из положения "подача назад" в положение "хранение".
Для Epson Stylus Pro 9890/9908: установите заднюю корзину в вертикальное положение.
Установите направляющие бумаги в горизонтальное положение.
Снимите ленты'застежки и прикрепите их концами вниз. Установите переднюю корзину в вертикальное положение.
Наклоните направляющие бумаги.

Использование автоматической приемной бобины (только для Epson Stylus Pro 9890/9908)
Если вы хотите выполнить печать на рулонной бумаге, и при этом не обрезать ее и не складывать отпечатанную бумагу на пол, вы можете воспользоваться дополнительной автоматической приемной бобиной для сматывания отпечатанной бумаги.
Рулонную бумагу можно перематывать вперед или назад.
Forward (Вперед)
Backward (Назад)
Убедитесь, что приемная бобина установлена в устойчивом и надежном положении. Ее падение может вызвать телесные травмы.
Убедитесь, что передний край рулонной бумаги прямой; в противном случае бобина не сможет правильно принять бумагу.
За более подробной информацией об установке дополнительной автоматической приемной бобины обратитесь к Руководству по установке бобины.
При печати на бумаге Doubleweight Matte Paper или Singleweight Matte Paper перематывайте рулонную бумагу назад.
При печати на бумаге Singlew eight Matte Paper шириной в 24 дюйма или шире используйте натяжной механизм из комплекта поставки автоматической приемной бобины, чтобы обеспечить надлежащее качество печати.
Блок управления
Auto
1. Сенсорный индикатор
Указывает на состояние автоматической приемной бобины.
|
Индикатор
|
Состояние
|
|
Горит
|
Бобину можно использовать
|
|
Быстро мигает
|
Устройство работает
|
|
Медленно мигает
|
Устройство находится в режиме энергосбережения
|
|
Мигает с большими интервалами
|
Произошла ошибка
|
|
Не горит
|
Устройство выключено
|
2. Переключатель Auto
После печати рулонная бумага сматывается автоматически.
|
Пункт
|
Описание
|
|
Backward (Назад)
|
После печати рулонная бумага сматывается автоматически отпечатанной стороной внутрь
|
|
Forward (Вперед)
|
После печати рулонная бумага сматывается автоматически отпечатанной стороной наружу
|
|
Off (Выкл.)
|
Рулонная бумага сматываться не будет
|
3. Переключатель Manual
После печати рулонная бумага сматывается вручную. Этот режим доступен, если переключатель Auto находится в положении Off.
|
Пункт
|
Описание
|
|
Backward (Назад)
|
После печати рулонная бумага сматывается отпечатанной стороной внутрь. Чтобы сматывание рулона началось немедленно, нажимайте на эту кнопку в течение 3 секунд.
|
|
Forward (Вперед)
|
После печати рулонная бумага сматывается отпечатанной стороной наружу. Чтобы сматывание рулона началось немедленно, нажимайте на эту кнопку в течение 3 секунд.
|
Перемотка бумаги вперед
Подключите провод питания к розетке и убедитесь, что загорелся индикатор.

Включите принтер, нажав на кнопку (!) .
Убедитесь, что на ЖК-дисплее появился значок автоматической приемной бобины.
Если значок не появился, убедитесь, что бобина установлена корректно и питание включено.

Установите рулонную бумагу.
Нажмите на кнопку ^ и выберите параметр Roll Auto Cut Off (Автоматический обрез рулонной бумаги выключен) или Roll Auto Cut On (Автоматический обрез рулонной бумаги включен).
Нажмите на кнопку, чтобы ввести рулонную бумагу в принтер.
С помощью клейкой ленты закрепите передний край рулонной бумаги на стержне принимающей бобины в трех местах.

Нажмите на кнопку, чтобы подать бумагу вперед. На бобине образуется слабо натянутая петля из бумаги.
Установите переключатель Manual в положение Forward и удерживайте его, пока на бобину не будут намотаны как минимум три витка бумаги.
После подачи бумаги убедитесь, что бумага между рулоном и принимающей бобиной провисает оптимальным образом.
Для бумаги Singleweight Matte Paper шириной 24 дюйма или шире: расположите приспособление для натяжения внутри провисающей части рулонной бумаги. Убедитесь, что вы расположили его по центру.
Перемотка бумаги назад
Потяните за нижнюю часть рулонной бумаги и оберните ее вокруг стержня бобины, пропустив бумагу с задней стороны стержня (см. иллюстрацию ниже). С помощью клейкой ленты закрепите передний край рулонной бумаги на стержне принимающей бобины в трех местах.
Нажмите на кнопку, чтобы подать бумагу вперед. На бобине образуется слабо натянутая петля из бумаги.
Установите переключатель Manual в положение Backward и удерживайте его, пока на бобину не будут намотаны как минимум три витка бумаги.
После подачи бумаги убедитесь, что бумага между рулоном и принимающей бобиной провисает оптимальным образом.
Прием отпечатанного материала
Если автоматическая приемная бобина установлена и на ее стержень загружена бумага для приема в нужном направлении, это устройство можно использовать для приема печатного материала.
Не прикасайтесь к работающей автоматической приемной бобине. В противном случае можно получить травму.
Установите переключатель Auto в положение Forward или Backward.

Отправьте задание печати на принтер.
Принтер начнет печать. Автоматическая подающая бобина будет сматывать бумагу в направлении, указанном на шаге 1.
При печати с выбранным параметром Roll Auto Cut On (Рулон с автоматическим обрезом), установите переключатель бобины Auto в положение Off, иначе принтер не обрежет бумагу. Вы можете установить переключатель Auto в положение Off во время печати для автоматической обрезки бумаги.
Извлечение принятой бумаги
После того, как бумага принята, выполните следующие действия для извлечения стержня бобины.
Установите переключатель Auto в положение Off.
Отрежьте рулонную бумагу.
Нажмите на кнопку >^ , чтобы обрезать рулонную бумагу.
Если рулонную бумагу не удается обрезать встроенным ножом, используйте ножницы или нож, приобретенный в магазине.
Поверните рычаг, чтобы разблокировать съемную часть, и сдвиньте ее до упора влево, чтобы извлечь из защелки фланца конец стержня бобины.
При этом придерживайте стержень принимающей бобины одной рукой, чтобы он не упал.

Извлеките стержень приемной бобины из защелки фланцев на съемной части и приводном устройстве.
Рулон бумаги много весит, поэтому два человека должны держать его за концы.
Применение стержня использованного рулона бумаги в качестве стержня принимающей бобины
В качестве стержня принимающей бобины можно использовать стержень использованного рулона бумаги.
Если стержень рулона бумаги деформирован или поврежден, его нельзя использовать в качестве стержня принимающей бобины.
Вариант установки фланца принимающей бобины зависит от размера стержня рулонной бумаги.
Снимите фланец, нажав на защелку.

Переверните фланец, чтобы защелка меньшего диаметра была расположена на внешней стороне, затем установите его на приводное устройство, нажав на защелку.

Снимите фланец, нажав на защелку.

Переверните фланец, чтобы защелка меньшего диаметра была расположена на внешней стороне, затем установите его на съемную часть, нажав на защелку.
Установка стержня принимающей бобины
Способ установки принимающей бобины одинаков для 2-дюймового и 3-дюймового стержней.
D Убедитесь, что рычаг блокировки находится в свободном положении (повернут влево). Сдвиньте съемную часть к левому краю горизонтальной опоры.

Сдвиньте один из концов стержня приемной бобины на защелку фланца приводного устройства.

Вставьте защелку фланца съемной части в другой конец стержня принимающей бобины.

Поверните рычаг блокировки вперед, чтобы заблокировать съемную часть.
Убедитесь, что приемная бобина установлена полностью и в устойчивом положении.
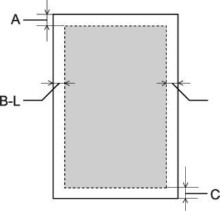
Область печати

B-R
|
А
|
Рулонная бумага
|
Минимальная ширина верхнего поля 3,0 мм
|
|
Форматные листы
|
Минимальная ширина верхнего поля 3,0 мм
|
|
BDL
|
Рулонная бумага
|
Минимальная ширина левого поля 0,0 мм (0")
|
|
Форматные листы
|
Минимальная ширина левого поля 0,0 мм (0")
|
|
BDR
|
Рулонная бумага
|
Минимальная ширина правого поля 0,0 мм (0")
|
|
Форматные листы
|
Минимальная ширина правого поля 0,0 мм (0")
|
|
С
|
Рулонная бумага
|
Минимальная ширина нижнего поля 3,0 мм (0,12")
|
|
Форматные листы
|
Минимальная ширина нижнего поля 14,0 мм (0.55")
|
Для рулонной бумаги можно выбирать на панели управления следующие значения ширины полей.
Область печати не изменяется даже при изменении полей.
Принтер автоматически определяет формат загруженной бумаги. Данные, выходящие за область печати, не печатаются.
Если сравнить результаты, напечатанные с полями 3 мм и 15 мм, можно заметить, что на изображении с полем 15 мм часть данных справа не напечаталась.
 
при использовании материалов ссылка на сайт компании awella.ru обязательна
Помогла информация на сайте ?
Оставьте отзыв о работе нашей компании !
Это можно сделать в яндекс браузере и это простимулирует работников нашей компании (ответственные получат бонусы), которые собирали ее для вас! Спасибо !