• Распродажа
  • Соглашение
  •  

     

    Руководство по 1120

    Особенности, общий вид

    Использование системы печати САРТ

    Обслуживание

    Устранение неисправностей

     

     

    Молодая команда

    Интернет-компания по продаже картриджей awella.ru

    Вот уже более 26 лет наша компания успешно занимается оптовой продажей расходных материалов для оргтехники и копировальных аппаратов (картриджи для Canon, HP, Epson, Brother, Samsung, Kyocera, Xerox, Panasonic, Minolta, Lexmark, OKI, Pantum, Ricoh, Toshiba) и бумаги для офисной техники по всей России.

    Мы предоставляем для своих клиентов:

    консультации, гарантию, программу бонусов, быструю доставку в том числе и бесплатную доставку до удобной клиентам транспортной компании, более 1250 пунктов выдачи по всей России, выписку счета, экономию, сервис.

    Устранение неисправностей на принтере Canon LBP-1120

    При возникновении неисправностей

    Если принтер не работает, печать не получается на принтере или возникают неисправности по качеству печати, вы можете найти соответствующую страницу для их устранения, руководствуясь следующей картой.

    Сообщение об ошибке появляется в окне состояния

    Силовой шнур не подключен в розетку сети пер. тока. Выключатель питания принтера поставлен в положении "выключено".

    Принтер не подключен к вашему компьютеру.

    Неисправности по качеству печати

    В картридже остается мало тонера.

    Плотность тонера переключена на [Светлее].

    Принтер расположен в несоответствующем месте.

    Проверить ошибку, используя программу устранения неполадок.

    Принтер не подключен в порт USB.

    Драйвер принтера инсталлирован неправильно.

    Драйвер класса USB инсталлирован неправильно.

    Печать прекращается по пути обработки документа.

    Неисправности по качеству печати

    На печати появляются вертикальные белые полосы.

    Тонер остается мало или распределяется неравномерно в нем.

    Вынув из принтера, дают тонеру равномерно распределяться, качая картридж слева-направо несколько раз, затем вставляют снова внутрь принтера. Если неисправности при этом не устраняются, необходимо заменить на новый.

    На печати появляются черные пятна

    Тонерный порошок папал на давильный ролик.

    С применением функции системы САРТ очищают ролик. Если на странице не появляются черные пятна, то это указывает, что давильный ролик не загрязнен. При появлении черных пятен на странице надо повторяют операции очистки до тех пор, пока черные пятна не устраняются со страницы. Операции очистки ролика можно повторять несколько раз, не оказывая отрицательные влияния на принтер.

    Печать получается слишком светлой

    Плотность тонера [Ллотность тонера] установлена на [Светлая].

    Увеличить плотность.

    Принтер работает для печати в большом количестве листов в условиях высокой температуры окружающей среды.

    Отрегулировать плотность тонера. Если никакой эффект не получается при регулировке плотности, надо заменить картридж на новый. После замены картриджа рекомендуется эксплуатировать принтер при кондиционировании окружающего воздуха.

    Печать получается слишком темной

    Плотность тонера [Плотность тонера] установлена на [Темная].

    Убедиться в правильной регулировке плотности тонера. При неправильной регулировке нужно корректировать плотность.

    Около принтера расположен сильный светоисточник.

    Убедиться в отсутствии сильного светоисточника вблизи принтера. При наличии такого светоисточника надо переместить принтер подальше от светоисточника.

    Принтер не работает

    Бумага не загружена в принтер.

    Убедиться в загрузке бумаги в принтер.

    Печатные операции прекращаются.

    Проверить прекращение печати в окне состояния.

    Тонерный картридж установлен неправильно в своем месте.

    Убедиться в правильной установке.

    Уставка порта системы ввода-вывода BIOS неправильна, надо отрегулировать порт.

    О допускаемых портах руководствоваться документацией к вашему компьютеру.

    Неисправность в работе вашего компьютера

    Проверить ваш компьютер, убедиться в подключении питания, а также в исправности в работе компьютера.

    Неправильные коды посылаются от программного обеспечения.

    Проверить применяющуюся программу, которая, может быть, подает код остановки или подобного рода комманду на принтер. Надо убедиться, что принтер выбран правильно в папке [Принтеры].

    Не подается питание принтера.

    Силовой шнур не подключен в розетку сети.

    Убедиться, что силовой шнур подключен надежно как к принтеру, так и розетке сети переменного тока.

    Напряжение питания отсутствует в сети переменного тока.

    Убедиться в наличии напряжения питания в розетке сети. Подключить к другому источнику питания по надобности.

    Напряжение переменного тока питания не соответствует номинальному напряжению принтера.

    Убедиться в соответствии напряжения переменного тока сети номинальному напряжению питания принтера.

    Принтер останавливается в работе

    Ненадежное соединение кабеля интерфейса. Проверить соединение как компьютера, так и кабеля.

    Принтер может работать на прикладной программе с приоритетной обработкой, при которой печать замедляется соответственно.

    Работа принтера улучшается при придании приоритета данной печатной работе.

    Получается плохая печать

    Возникновение каких-либо неисправностей в связи между принтером и компьютером.

    Проверить надежность соединения кабеля. Убедиться также, что соединительная коробка не предусмотрена между ними. Проверить правильность выбора драйвера Windows для принтера.

    Принтер блокирует систему

    Возникновение неисправностей, связанных с наладкой системы.

    Убедиться в применении высококачественного экранированного кабеля.

    Возникновение неисправностей, связанных с вашей системой BIOS. Надо проверить правильность настройки системы BIOS.

    Убедиться в вашей здровной физической памяти.

    В случае применения компьютера "лэптоп" фирмы "Тошиба" нужно изменить линию в файле CONFIG.SYS file: c:\winutils\mxtime.exe на: REM c: \winutils\mxtime.exe

    Компьютер указывает на простой устройства

    Компьютер посылает данные на принтер, но принтер не реагирует на компьютер. Принтер может быть выключен, отключен от системы или не соединен с компьютером.

    Убедиться, что принтер не находится в режиме паузы.

    Убедиться, что интерфейсный кабель надежно подключен как к принтеру, так и к компьютеру.

    Возвратить принтер и компьютер в исходное состояние, затем начать печатание снова.

    Бумага загружена неправильно в лоток под бумагу. Убедиться в правильной загрузке бумаги в лоток.

    Возникновение неисправностей, связанных с интерфейсным кабелем. Применять другой кабель.

    Неисправности системы САРТ

    Система САРТ не работает исправно.

    Система CAPT не выбрана применительно к модели LBP-1120 в качестве драйвера заводской настройки.

    Выбрать систему CAPT применительно к модели LBP-1120 в качестве дрейвера заводской настройки.

    Программное обеспечение может быть неправильно инсталлировано.

    Запустить программу устранения неполадок и обнаружить неисправности.

    Для убеждения в правильной инсталляции САРТ следует напечатать страницу из прикладной программы. Если страница не печатается, то это свидетельствует о неправильной инсталляции САРТ. Удалив САРТ, снова инсталлируют ее.

    Шрифт Аdobe Type Manager (ATM) не используется

    Может быть использована неправильная версия штифта Adobe Type Manager.

    Применять версию 2.51 или последующую Adobe Type Manager. Меню СD-ROM не появляется автоматически.

    [Автозапуск меню компакт-диска] не проверено в меню CD-ROM.

    Вызывая меню CD-ROM вручную, ставить флажок на [Автозапуск меню компакт-диска].

    [Автоматическое распознавание диска] не выбран.

    По [Диспетчера устройств] убедиться, что [Автоматическое распознавание диска] выбран в диалоговом окне свойств дисковода CD-ROM.

    [Файл на CD-ROM не найден] возникает в начале меню CD-ROM.

    Программа загружена от дисковода для жестких дисков.

    Удалить файл CAP3MNU.EXE из вашего дисковода для жестких дисков и снова запустить программу меню CD-ROM из компакт-диска с этикеткой "User Software".

    Устранение замятия бумаги

    При возникновении замятия бумаги во время печати по каким-либо причинам, автоматически открывается окно состояния и показывается на нем сообщение об ошибке PAPER JAM. В этом случае удаляют замятую бумагу из принтера с соблюдением приведенных ниже указаний по устранению замятия, затем приступают снова к работе принтера. В случае, если сообщение об ошибке не снимается с окна состояния даже после выполнения операций устранения замятия бумаги, то это указывает на то, что разобранные осколки бумаги все еще оставлены внутри принтера. В таком случае надо снова проверить возможные зоны замятия бумаги и удалить все оскольки бумаги изнутрь принтера.

    Замятие бумаги может происходить в нескольких местах траектории движения бумаги в принтере. Приведенная ниже иллюстрация поможет вам определить место замятия. Следует определить место замятия бумаги и устранить замятие, соблюдая инструкции по устранению замятия. Прежде чем приступить к печати, обязательно нужно проверить все возможные места замятия.

    После установки картриджа с закрытием передней крышки принтер готовится к печати. Если принтер возвращается в режим готовности к печати, то это свидетельствует об успешном устранении возникшей неполадки, а если принтер не возвращется в режим готовности, это указывает на оставление замятой бумаги в принтере.

    При касании внутренних устройств принтера следует заранее снять ручные часы, браслеты и кольца. Такие металлические предметы могут быть повреждены при контактировании их с внутренними деталями принтера.

    Фиксирующая сборка внутри принтера может чрезмерно нагреваться. Не следует касаться никаких частей внутри корпуса принтера, кроме мест, указанных особо в этом руководстве. Несоблюдение указания может привести к ожогам и др. травмам обслуживающего персонала.

    • Нельзя касаться высоковольных контактных клемм внутри корпуса принтера. В противном случае может вызываться повреждение принтера.

    Надо быть осторожны при обращении с бумагой, находящейся за узлом фиксирования. Тонер может быть не закреплен на бумаге и может легко сойти с нее.

    При рассыпании тонерного порошка по вашим рукам или одежде обязательно нужно промыть в холодной воде незамедлительно.

    Во избежание возможного повреждения принтера не следует касаться штифтов в правом конце переносного ролика.

    При устранении замятия бумаги не следует выключить питание принтера. Если принтер при этом обесточен, данные о печати могут стираться.

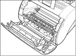
    При открытии передней крышки принтера надо быть осторожны, чтобы не касакться переносного ролика внутри крышки.

    Переносный ролик

    Если насильно удаляют замятую бумагу изнутри принтера, бумага может разрываться или внутренние устройсвтва могут быть повреждены.Замятую бумагу следует вывести в правильном направлении, соответствующем месту замятия.

    При разрыве замятой бумаги надо обнаружить оставшиеся части бумаги в принтера и удалить их тщательно.

    • Во избежание неполадок принтера необходимо убедиться, что отжимные рычаги (черного цвета) отпущены при открытии передней крышки принтера. Если не отпущены рычаги, надо закрыть переднюю крышку, затем снова открыть крышку. Этим автоматически освобождаются рычаги. В случае, если рычаги не освобождаются автоматически, надо освобождать рычаги вручную, слегка натягивая пальцем вперед один из двух концов давильных планок, чтобы освободить данную планку.

    При удалении замятой бумаги внутренняя поверхность принтера может запачкаться рассыпанным тонером, в результате несколько первых отпечатанных страниц могут также запачканными тонером.

    Перед устранением замятия бумаги в принтере

    При возникновении замятия бумаги надо устранить замятие бумаги с соблюдением приведенных ниже указаний.

    1 Удалить листы бумаги из универсального лотка.

    2 Открыть переднюю крышку, натягивая ее двумя руками до отказа.

    3 Захватывая картридж за его ручки, вывести его из принтера, приподнимая картридж вверх.

    Не следует подвергать картридж воздействию световых лучей в течение более 4 минут. По надобности, нужно вложить его в исходный защитный мешок или обернуть его толстым текстильным материалом для того, чтобы предотвращать воздействие лучей.

    Замятие бумаги в зоне подачи бумаги

    Осторожно вытащивая замятую бумагу двумя руками прямо вверх, вывести ее из универсального лотка.

    Замяную бумагу обязательно надо вынуть из принтера двумя руками.

    При извлечения бумаги из принтера надо быть осторожны, чтобы не разрывать ее. При разрыве бумаги надо удалить ее осколки изнутри принтера.

    Если бумага полностью вдвинута внутрь принтера

    1 Вывести тонерный картридж изнутри принтера.

    2 Удалить всю бумагу из входной зоны принтера, осторожно натягивая ее на себя.

    Изнутри принтера обязательно вынуть бумагу двумя руками.

    3 Свертывать кромку бумаги внутрь для того, чтобы напечатанная сторона бумаги распологалась внутрь.

    4 Осторожно вывести свернутую бумагу изнутри принтера.

    В случае, если передняя кромка бумаги видна, но она пока уще не введена внутрь зоны формирования изображений, надо натянуть бумагу от себя и свернуть ее внутрь.

    Не следует бумагу вверх из щели ввода бумаги, поскольку это может привести к повреждению принтера. Бумагу надо вывести осторожно изнутри принтера.

    Не следует вывести замяную бумагу вверх под большим углом к горизонтали. Оставшийся на бумагу тонер может вызывать загрязнение принтера, что приводит к постоянному снижению качества печати.

    5 Установить картридж в свое место и закрыть переднюю крышку принтера.

    Рычаги освобождения бумаги автоматически возвращается в их исходные положения.

    Замятие бумаги около зоны формирования изображений

    1 Снять тонерный картридж с принтера.

    2 Свернуть бумагу с ее задней кромки в внутреннюю сторону так, чтобы бумага установилась напечатанной стороной внутрь и вынулась назад из зоны формирования изображений.

    Если дальний край листа бумаги не виден, возьмите его с двух сторон и осторожно тяните, пока не покажется дальний край листа.

    Изнутри принтера обязатель надо вывести замятую бумагу двумя руками.

    3 С осторожностью вывести свернутую бумагу из принтера.

    4 Установить картридж в свое место и закрыть переднюю крышку.

    Рычаги освобождения бумаги автоматически возвращаются в их исходные положения.

    Замятие бумаги в зоне вывода лицевой стороной вниз

    1 Снять тонерный картридж с принтера.

    2 Осторожно выташить замятую бумагу между валиками вывода лицевой стороной вниз до тех пор, пока передний край бумаги не вышел из принтера.

    Изнутри принтера обязательно надо вынуть бумагу двумя руками.

    3 Осторожно выташить замятую бумагу через валики до полного вывода ее из принтера.

    Ни в коем случае не следует вынуть бумагу из принтера движением на себя, если бумага находится за валиками вывода лицевой стороной вниз. Несоблюдение указания может привести к повреждению валиков.

    4 Установить картридж в свое место и закрыть переднюю крышку.

    Рычаги освобождения бумаги автоматически возвращаются в их исходные положения.

    Замятие бумаги в зоне вывода лицевой стороной вверх

    1 Снять тонерный картридж с принтера.

    2 Поддерживая принтер надежно, осторожно вынуть замятую бумагу прямо на себя в горизонтальном направлении.

    Изнутри принтера обязательно надо вынуть бумагу двумя руками.

    Если бумага сильно замялась в складку, в виде гармошки, сначала нужно расправить ее, затем вынуть бумагу из принтера.

    3 Установить картридж в свое место и закрыть переднюю крышку.

    Рычаги освобождения бумаги автоматически возвращаются в их исходные положения.

    Использование программы устранения неполадок

    1 Щелкнуть на [Пуск] указать на [Программы].

    2 Указать на [Canon LASER SHOT LBP-1120] щелкнуть на [Программа устранения неполадок Canon LASER SHOT LBP-1120].

    Диалоговое окно [Программа устранения неполадок] отображается.

    Программа устранения неполадок запускается двойным щелчком [Программа устранения неполадок Canon LASER SHOT LBP-1120] в групповой пачке [Canon LASER SHOT LBP-1120] на рабочем столе.

    3 Выбрать принтер, который подвергается устранению неполадок щелкнуть на [Да].

    Программа устранения неполадок проверяет ваш файл.

    4 При обнаружении неполади отображается сообщение об этом на экране. Соблюдая инструкции показанные на экране, устраняют обнаруженную неполадку.

    5 При выполнении проверки ваших файлов с помощью программы устранения неполадок появляется диалоговое окно, как показано ниже. Щелкнуть на [OK].

    Диалоговое окно [Перезагрузка Windows] появляется.

    Если неполадка не найдется, дисплей возвращается к Windows.

    Нужно проверить контрольное окно [Сохранить результат], если вы хотите сохранить результаты как текстовый файл.

    6 Щелкнуть на [Перезагрузка Windows].

    Для корректировки, сделанной программой устранения неполадок для повышения эффектиывности, необходимо перезапустить Windows.

    Этим закончится устранение неполадок.

    Принимаемые меры к сообщениям об

    В случае, если принтер не выполняет операции печати по каким-либо причинам, окно состояния откроется и сообщение об ошибке отображается в окне. В случае, если принтер не выполняет операции печати по каким-либо причинам, окно состояния открывается и сообщение об ошибке отображается в окне. По сообщениям об ошибке можно определить неисправности, которые должны быть устранены прежде чем приступить к дальнейшей работе принтера. При появлении любого из сообщений нужно устранить неполадки согласно перечисленным ниже способам. При появлении любого из указанных сообщений нужно устранить неполадки согласно перечисленным ниже способам.

    Добавить Бумагу

    В принтере отсутствует бумага.

    Загрузить листы бумаги в лоток. После загрузки бумаги в окне состоянии автоматически появится Принтер готов.

    Размер находящейся в принтере бумаги не соответствует размеру, выбранному для задания на печати.

    Заменить бумагу на двугой размер соответственно выбранному или выбрать опцию меню [Resume Job] в окне состояния для печати на бумаге, находящейся в принтере.

    Проверить принтер/кабель

    Между компьютером и принтером нет связи. Питание не подается на принмер или кабель отсоединен.

    Подключить кабель или силовой шнур надежно.

    Проверить тонер-картридж

    В принтере нет картриджа.

    Установить картридж.

    Устранить замятие бумаги

    При печати произошло замятие бумаги

    Устранить замятие бумаги. После устранения замятия печать снова начнется автоматически.

    После устранения замятия бумаги передняя крышка принтера остается открытой или картридж установлен неправильно.

    Закрыть переднюю крышку надежно.

    Закрыть крышку принтера

    Передняя крышка принтера открыта.

    Закрыть крышку и восстановить работу принтера.

    Недостаток памяти

    Задание на печать оказалось слишком сложны в отношении емкости памяти.

    Перед печатью по данному заданию закрыть все остальные приложения.

    Выполнить задание на печать на меньших участках бумаги.

    Попробовать выполнить задание на печать с меньшим разрешением, например в 300 точек на дюйм.

    Переформатировать наиболее сложные страницы в задании на печать для того, чтобы уменьшить графические изображения и др. сложные форматирования.

    Порт занят

    Порт принтера занят другой аппаратурой.

    Подождать до тех пор, пока занятый порт принтера не освобожден.

    Печать не выполняется

    Задание на печать оказалось сшилком сложным в отношении емкости памяти.

    Попробовать выполнить задание на печать с меньшим разрешением, например в 300 точек на дюйм.

    Переформатировать наиболее сложные страницы в задании на печать для того, чтобы уменьшить графические изображения и др. сложные форматирования.

    Попробовать выполнить печать только на странице, где ошибка произошла.

    Ошибка техобслуживания

    Система САРТ обнаруживает какие-либо неисправности во внутреннизх механизмах принтера LBP-1120.

    Для устранения неисправности выполняют следующие операции:

    1. Выключить принтер и отсоединить вилку шнура от розетки.

    2. Открыть переднюю крышку принтера и вывести картридж из принтера.

    3. Вставить вилку шнура питания принтера и включить последний в работу.

    4. Если ошибка не устраняется, консультироваться с авторизованным сервисным центром компании Canon.

    <<<назад

     

    при использовании материалов ссылка на сайт компании awella.ru обязательна

    Помогла информация на сайте ?

    Оставьте отзыв о работе нашей компании !

    Это можно сделать в яндекс браузере и это простимулирует работников нашей компании (ответственные получат бонусы), которые собирали ее для вас! Спасибо !