Техническое обслуживание Oki C7200
Замена картриджа
Когда уровень тонера снижается, на панели управления появляется сообщение *** TONER LOW (Низкий уровень тонера), где *** - наименование цвета. Если печать продолжается без замены тонера, то появляется надпись CHANGE *** TONER и печать прекращается. В зависимости от операционного окружения, печать может ослабеть до выдачи этого сообщения. На этой стадии вытащите картридж и проверьте, не пуст ли он; если пуст, то он требует замены.
Время жизни составляет примерно 10000 страниц формата А4 при печати на 5% поверхности. Первый, установленный на новом печатном барабане, требует замены приблизительно после половины указанного числа страниц, поскольку он должен заполнить новый печатный барабан.
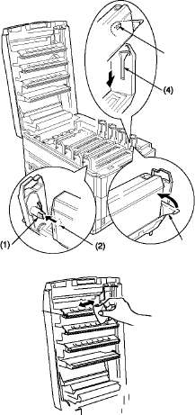
1. Выключите принтер и откройте верхнюю крышку.
2. Проверьте цветной ярлык на нем.
(2)
3. Передвиньте цветной рычаг (1) вправо в направлении стрелки на максимально возможное расстояние.
4. Удалите его (2), вначале приподняв правую часть для освобождения втулки на печатном барабане.
5. Убедитесь, что цвета соответствуют друг другу.
6. Встряхните новый из стороны в сторону несколько раз. Затем удалите ленту, держа горизонтально.
7.
8.
9.
Вставьте новый в барабан, начиная с левой части и вставляя втулку (1) барабана в отверстие(2).
Мягко толкните вниз, вставляя замыкающую шпильку (3) в желобок (4) печатного барабана.
Мягко толкните цветной рычаг (5) вперед до остановки для освобождения тонера в печатном барабане.
Не используйте метиловый спирт или другие растворители на светодиодной головке во избежание повреждения поверхности линз.
10. Мягко протрите поверхность светодиодной головки, используя средство для чистки светодиодных линз или мягкую ткань.
11. Закройте верхнюю крышку.
(3)
После установки, сообщение TONER LOW (Недостаточно тонера) или CHANGE TONER (Замените тонер) должно исчезнуть. Однако в некоторых случаях оно не исчезает до выполнения печати. Если и после этого сообщение не исчезло, переустановите его.
Замена печатного барабана
Когда печатный барабан достигает конца срока службы, на панели управления появляется сообщение, *** CHANGE DRUM (Замените барабан) (*** - наименование цвета). Если печать продолжается без замены барабана, то выдается сообщение CHANGE *** IMAGE DRUM (Замените печатный барабан) и печать прекращается. Замените и произведите чистку светодиодной головки во время замены печатного барабана. Время жизни барабана составляет около 30 000 страниц формата А4. Эта оценка дана для стандартной работы, включающей три страницы. При печати одиночных страниц время жизни барабана снижается примерно вдвое.
Никогда не подвергайте печатный барабан воздействию света более чем на 5 минут. Никогда не подвергайте печатный барабан воздействию прямого солнечного света. Никогда не касайтесь поверхности зеленого барабана внутри блока печатного барабана.
1. Выключите принтер и откройте верхнюю крышку.
2. Полностью вытащите печатный барабан.
3. Убедитесь, что печатный барабан имеет правильный цвет, и вытащите его из упаковки.
6. Установите новый печатный барабан соответствующего цвета на его место в принтере.
7. Установите новый соответствующего цвета.
8. Закройте верхнюю крышку.
 Вытащите защитный лист (1) из печатного барабана.
(2)
 Нажмите на петельку (2) внутрь и вытащите запирающую пластину (3) из печатного барабана.
Замена приводного ремня
Когда приводной ремень достигает конца срока службы, на панели управления появляется надпись CHANGE BELT UNIT (Замените ременной блок). Срок службы приводного ремня составляет около 60 000 листов, в зависимости от их размера. Эта цифра приведена для стандартной работы, включающей три страницы. При печати одиночных страниц время жизни приводного ремня снижается примерно вдвое.
1. Выключите принтер и откройте верхнюю крышку.
2. Вытащите раму с четырьмя печатными барабанами.
 (2)
 (4)
3. Отожмите замыкающий рычаг (1) и, используя ручки (2) и (3), вытащите приводной ремень из принтера.
4. Вытащите новый приводной ремень из упаковки.
5. Используя ручки (2 и 3), выровняйте шпильки (4) с желобками (5) принтера и вставьте новый приводной ремень в принтер.
6. Переместите замыкающий рычаг (1) вперед и убедитесь, что он фиксирует приводной ремень на месте.
7. Установите раму с четырьмя печатными барабанами обратно в принтер.
8. Закройте верхнюю крышку.
Замена блока закрепления тонера
Когда блок закрепления тонера достигает конца срока службы, на контрольной панели появляется надпись CHANGE FUSERUNIT (Замените блок закрепления тонера). Срок службы блока закрепления тонера составляет около 60 000 страниц, независимо от размера листа.
БЛОК ЗАКРЕПЛЕНИЯ ТОНЕРА ИМЕЕТ ВЫСОКУЮ ТЕМПЕРАТУРУ ПОСЛЕ ПЕЧАТИ. ВСЕГДА ПОЛЬЗУЙТЕСЬ РУКОЯТКОЙ ПШ ПОДНИМАНИИ БЛОКА ЗАКРЕПЛЕНИЯ ТОНЕРА.
1. Выключите принтер и откройте верхнюю крышку.
2. Переместите два замыкающих рычага (1) вперед для освобождения блока закрепления тонера.
3. Используя рукоятку (2), вытащите блок закрепления тонера из принтера.
4. Вытащите новый блок закрепления тонера из упаковки.
5. Используя рукоятку (2), установите новый блок закрепления тонера в принтер.
6. Убедитесь, что два замыкающих рычага (1) фиксируют блок закрепления тонера на месте.
(2)
7. Вытащите транспортный замок (3) из прижимающего ролика в верхней части блока закрепления тонера.
8. Закройте верхнюю крышку.
Очистка светодиодной головки
Производите чистку светодиодной головки в тех случаях, когда не достигается четкой печати, при наличии белых полос или пятен.
Не используйте метиловый спирт или другие растворители на светодиодной головке во избежание повреждения поверхности линз.
Мягко протрите поверхность светодиодной головки, используя средство для чистки светодиодных линз или мягкую ткань.
Закройте верхнюю крышку.
Регулировка цветового баланса
Цветовой баланс устанавливается должным образом при производстве принтера. По мере использования принтера может потребоваться регулировка цветового баланса, которая производится следующим образом.
Плотность каждого из цветов зависит от других цветов. Таким образом, регулировка цветового баланса должна быть выполнена несколько раз до получения правильного цветового баланса.
Нажмите кнопку Menu (Меню) (0) до получения текста COLOUR MENU (Цветовое меню).
Нажмите кнопку Select (Выбор) (3) и появится текст COLOUR BALANCE ADJUST PRINT PATTERN (Печать образца для регулировки цветового баланса).
Нажмите кнопку Select (Выбор) (3) вновь и образец будет отпечатан.
1.
2.
3.
4. Проверьте цвета центральной круглой вставки, сравнив их с цветами круглых вставок образца.
Если центральный круглый образец соответствует круглому образцу с номером 00, то цветовой баланс установлен должным образом.
5. Нажмите кнопку Item (Элемент) (1) до появления текста COLOUR BALANCE ADJUST RESET TO DEFAULT (Цветовой баланс будет переустановлен на значение по умолчанию).
6. Нажмите кнопку Value (Значение) (2) до тех пор, пока на экране не появится текст SELECT PATTERN ** (Выберите образец **), где ** - номер круглой вставки, цвета которой соответствуют центральной круглой вставке.
7. Нажмите кнопку Select (Выбор) (3) Для выбора этого образца, после чего будет отпечатан новый образец.
8. Вновь проверьте цвет центральной круглой вставки, сравнив его с цветами круглых вставок образца.
9. При необходимости повторите описанную выше процедуру до тех пор, пока цвет центральной круглой вставки не будет соответствовать круглому образцу с номером 00.
10. При правильном цветовом балансе нажмите Online (Режим работы) (4) для возвращения принтера в рабочее состояние.
6. Установить транспортировочный замок в блок закрепления тонера.
7. Используя оригинальную упаковочную защиту, поместите принтер в его коробку и запечатайте ее.
Перевозка принтера
Принтер является прецизионным устройством. Его перевозка без упаковки может привести к механическому повреждению.
1.
2.
3. 4.
Выключите принтер.
Отсоедините кабель питания и кабель интерфейса принтера, вытащите всю бумагу из бумажных лотков.
Откройте верхнюю крышку и вытащите четыре печатных барабана.
Запечатайте стык между печатным барабаном с помощью клейкой ленты (1) для предотвращения просыпания тонера во время транспортировки.
5. Полностью установите на место печатные барабаны.
<<<назад
далее>>>
 
при использовании материалов ссылка на сайт компании awella.ru обязательна
Помогла информация на сайте ? Оставьте отзыв о работе нашей компании ! Это можно сделать в яндекс браузере и это простимулирует работников нашей компании (ответственные получат бонусы), которые собирали ее для вас! Спасибо !
 
 
|