• Распродажа
  • Соглашение
  •  

     

    Руководство по P50

    Драйвер принтера, доступ к ПО

    Способ печати фотографий на принтере

    Удаление ПО принтера

    Печать фотографий

    Печать документов

    Печать на CD/DVD

    Использование специальной бумаги

    Проверка картриджей

    Меры предосторожности при замене картриджей

    Экономия черных чернил

    Проверка дюз печатающей головки

    Прочистка печатающей головки

    Калибровка печатающей головки

    Очистка принтера

    Диагностирование проблемы

    Проверка состояния

    Проблемы с качеством печати

    Проблемы отпечатков, не связанные с качеством печати

    Проблемы с подачей бумаги

    Epson Stylus Photo P50 не печатает

    Другие проблемы принтера

     

    Молодая команда

    Интернет-компания по продаже картриджей awella.ru

    Вот уже более 26 лет наша компания успешно занимается оптовой продажей расходных материалов для оргтехники и копировальных аппаратов (картриджи для Canon, HP, Epson, Brother, Samsung, Kyocera, Xerox, Panasonic, Minolta, Lexmark, OKI, Pantum, Ricoh, Toshiba) и бумаги для офисной техники по всей России.

    Мы предоставляем для своих клиентов:

    консультации, гарантию, программу бонусов, быструю доставку в том числе и бесплатную доставку до удобной клиентам транспортной компании, более 1250 пунктов выдачи по всей России, выписку счета, экономию, сервис.

    Другие проблемы принтера Epson Stylus Photo P50

    После выключения принтера красная лампа внутри него остается гореть. Использование тихого режима при печати на простой бумаге.

    После выключения принтера красная лампа внутри него остается гореть.

    После выключения принтера красная лампа внутри него может гореть. Лампа горит максимум 15 минут, после чего автоматически гаснет. Это нормально, и не является индикатором повреждений в устройстве.

    Использование тихого режима при печати на простой бумаге

    Когда в драйвере принтера для параметра Paper Type (Тип бумаги) выбрано значение Plain Papers (простая бумага), а для параметра Print Quality (Качество печати) выбрано Normal (Обычное) принтер печатает с высокой скоростью. Вы можете выбрать Quiet Mode (Тихий режим печати), при котором скорость печати уменьшится.

    В Windows: в главном окне драйвера принтера или в окне Advanced (Расширенные) установите флажок Quiet Mode (Тихий режим).

    В Mac OS X: выберите Print Settings (Параметры печати) в окне Print (Печать) драйвера принтера. В области Advanced (Расширенные) установите флажок Quiet Mode (Тихий режим).

    Технические характеристики

    Поскольку качество каждого типа бумаги может быть изменено производителем без предварительного уведомления, EPSON не гарантирует удовлетворительного качества бумаги, произведенной не EPSON. Поэтому перед покупкой большого количества бумаги или перед выполнением больших объемов печатных работ, всегда проводите тестирование образцов этой бумаги.

    Бумага плохого качества может ухудшить качество печати, замяться и вызвать другие проблемы. Если возникли проблемы с качеством печати, воспользуйтесь бумагой более высокого качества. Работайте с бумагой при следующих условиях. Температура: от 15 до 25° C. Относительная влажность: от 40 до 60%

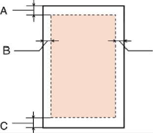
    Область печати

    Область печати выделена цветом. Отдельные листы:

    При печати на следующих областях компакт-диска лоток или компакт-диск могут быть испачканы.

    Картриджи

    Краска - набор фирменных красок, продаются комплектами.

    Температура

    До 6 месяцев после вскрытия упаковки.

    Хранение: от -20 до 40° C 1 месяц при 40° Заморозка:* -16° С

    * Чернила p50 или t50 оттаивают и годны к употреблению приблизительно через 3 часа хранения при температуре 25° C.

    Рекомендуем использовать только оригинальные краски и другие расходные материалы к принтеру.

    Те, которые прилагаются к принтеру, частично расходуются во время первоначальной настройки. Для обеспечения высокого качества отпечатков печатающая головка устройства будет полностью заправлена чернилами. Заправка выполняется один раз и требует некоторого количества чернил, поэтому используя эти вы сможете напечатать меньшее количество страниц чем при печати следующими. Количество отпечатков может зависеть от типа изображения, используемых настроек печати, типа бумаги, частоты использования устройства и температуры.

    Для получения наилучших результатов при печати и предохранения печатающей головки, некоторое резервное количество чернил остается в печатающей головке, когда принтер сообщает о необходимости замены чернил. Приведенные данные не включают этот резерв. Также, чернильные могут содержать переработанные материалы, это не влияет на функции или производительность.

    <<<назад

     

    при использовании материалов ссылка на сайт компании awella.ru обязательна

    Помогла информация на сайте ?

    Оставьте отзыв о работе нашей компании !

    Это можно сделать в яндекс браузере и это простимулирует работников нашей компании (ответственные получат бонусы), которые собирали ее для вас! Спасибо !